半導体用語集
SCFL
英語表記:Source Coupled FET Logic
電界効果型トランジスタ(Field Effect Transistor :FET)を用いた論理回路構成の形式の一つ。SCFLの名称の由来は、ソース端子が共通接続されたFET対部分に発する。バイポーラトランジスタ回路におけるECL(Emitter Coupled Logic)のFET版であり、GaAs MESFETやInP HEMTを用いた超高速デジタル回路にしばしば用いられる。
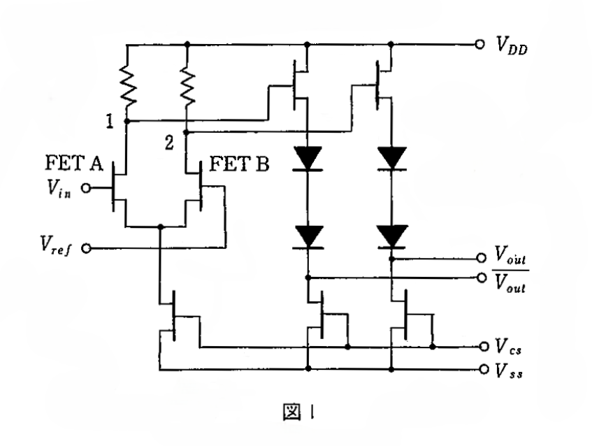
SCFLを用いた基本論理ゲート回路の一例として図1にSCFLインバータを示した。SCFLの回路構成上の特徴は、電流経路切り換えにより論理動作するFET対部分と、次段論理ゲートヘのDCレベル整合などを行うソースフォロワ(バイポーラ回路のエミッタフォロワに相当)からなることである。またVSS端子、VCS端子に接続されたFETはいずれも電流源の役割を担っている。
SCFLは差動回路であり、出力は二つの入力の差分(図1のVin-Vref)でのみ決定する。したがって、FET差動対のしきい値のばらつきによる出カヘの影響は軽微であり、FETばらつきに強い回路構成といえる。また、出力は論理ゲートの論理結果とその否定の2種類がえられるので、その差分を次段SCFL論理ゲートの入力として使うことができる。
SCFLでは、すべてのFETをドレイン電流飽和領域で動作させることが可能である。そのためゲート・ドレイン容量を小さく保つことができ、結果として高速動作に有利となる。また、ソースフォロワが出力バッファの役割も兼ねるので、ファンアウト特性に優れ、負荷増大による速度劣化もDCFL(Direct Coupled FET Logic)、BFL(Buffered FET Logic)、SDFL(Schottky Diode FET Logic)などの他の回路形式と比較して少ない。現在までにマルチプレクサ(80 Gbit/s)¹⁾、T. Otsujiや、識別回路(46 Gbit/s)²⁾で最高速度がえられているInP HEMTを用いたSCFLインバータに関して、1ゲート当たりの遅延時間を試算すると5ps以下である³⁾。
参考文献
1) T. Otsuji et al: IEEE Solid-State Circuits, Vol. 33, No. 9, pp. 1321~1327 (1998)
2) M. Yoneyama et al: IEEE Trans. Microwave Theory Tech., vol. 45, No. 12, pp. 2274~2282 (1997)
3) T. Enoki et al: Jpn. J. Appl. Phys., Vol. 37, Part 1, No. 313, pp. 1359~1364 (1998)

関連製品
「SCFL」に関連する製品が存在しません。キーワード検索
フリーワードやカテゴリーを指定して検索できます
関連用語
関連特集
会員登録すると会員限定の特集コンテンツにもアクセスできます。